








Hewalex Monoblock warmtepomp 9KW +6kw KA23282 (2150,- SUBSIDIE)
De PCCO MONO 9 lucht/water warmtepomp heeft een MONOBLOK opbouw bestaande uit een binnen- en buitenunit. Het is bedoeld voor het verwarmen en koelen van kamers en het verwarmen van warm tapwater.
Voordelen Monoblock Hewalex
- Makkelijke installatie (geen Stek certificering)
- Snellere installatie (1 deel ipv 2 delen bij split)
- Beveiligingsmodus tot 48 uur bij -25, tegen bevriezen
- Hoger rendement dmv verwarmingswater ipv Glycol
- Hoge Efficiëntie tot 5.1 COP
- Hoge aanvoer temperatuur tot 60 graden (normale warmtepompen tot 45 graden)
- Geschikt voor bestaande en renovatie bouw.
- EKONTROL ingebouwde diagnostica via wifi https://ekontrol.pl/nl/303993/scheme/pg426p02
- 5 jaar Garantie
- Uit te breiden met zonnecollectoren
Klik hier! voor de stand van zaken Subsidie Pot!
Als de producten niet voorradig zijn kunnen de prijzen wijzigen.
We brengen u hier tijdig van op de hoogte.

Productinformatie
Productinfo
HEWALEX PCCO MONO 9 kW warmtepomp met 6 kW verwarming
Bestaat uit de:
HPOM009Z0A buitenunit
Binnenunit HPOM020W3A
De PCCO MONO 9 lucht/water warmtepomp heeft een MONOBLOK opbouw bestaande uit een binnen- en buitenunit. Het is bedoeld voor het verwarmen en koelen van kamers en het verwarmen van warm tapwater.
Voordelen Monoblock Hewalex
- Makkelijke installatie (geen Stek certificering)
- Snellere installatie (1 deel ipv 2 delen bij split)
- Beveiligingsmodus tot 48 uur bij -25, tegen bevriezen
- Hoger rendement dmv verwarmingswater ipv Glycol
- Hoge Efficiëntie tot 5.1 COP
- Hoge aanvoer temperatuur tot 60 graden (normale warmtepompen tot 45 graden)
- Geschikt voor bestaande en renovatie bouw.
- EKONTROL ingebouwde diagnostica via wifi https://ekontrol.pl/nl/303993/scheme/pg426p02
- 5 jaar Garantie
- Uit te breiden met zonnecollectoren
Toepassingsmogelijkheden:
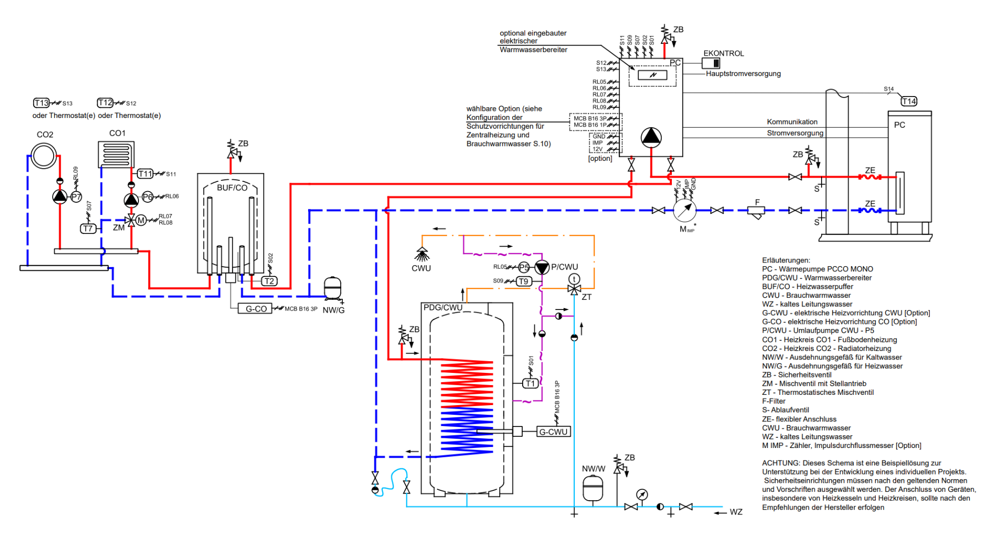
De warmtepomp PCCO MONO 9 kan een zelfstandig werkende warmtebron zijn in nieuwe energiebesparende gebouwen en in gemoderniseerde gebouwen kan hij samenwerken met een verwarmingsketel in de zogenaamde hybride verwarming. Door de toegepaste ontwerpoplossingen kan de warmtepomp werken tot een buitentemperatuur van -25 °C. De maximale aanvoertemperatuur is 58°C (tot -15°C buitentemperatuur) en 50°C (tot -25°C). De samenwerking van de warmtepomp met een vloerverwarmingssysteem (of een ander laagtemperatuur-oppervlakteverwarmingssysteem) wordt in het bijzonder aanbevolen. De OKC / HP-serie boilers met een groter oppervlak van de verwarmingsspiraal worden gebruikt voor een effectieve verwarming van huishoudelijk water. Bovendien kan de PCCO MONO 9-warmtepomp in de actieve koelmodus werken, waardoor het water tot 7 ° C wordt gekoeld.
PZ HX beveiligingsmodule - een innovatieve oplossing voor de bescherming van MONOBLOK warmtepompen tegen bevriezing bij stroomuitval (-25°C / 48h):
De PZ HX Protection Module, ontwikkeld voor monoblock warmtepompen, biedt volledige bescherming tegen bevriezing van het secundaire circuit (na de condensor in de warmtepomp) bij stroomuitval. Zelfs bij een buitentemperatuur van -25 ° C gedurende minimaal 48 uur beschermt de oplossing de warmtepomp, waardoor het gebruik van een verwarmingsmedium met antivriesmiddelen niet nodig is. De PCCO MONO-warmtepomp werkt op water en bereikt een ongeveer 20% hogere COP-efficiëntie in vergelijking met de werking van een typisch apparaat met glycol.
Opbouw en werking van de PCCO MONO 9 warmtepomp:
De PCCO MONO 9 warmtepomp bestaat uit twee units. Er is een compleet koudemiddelcircuit in de buitenunit. Hier is geen tussenkomst nodig om deze te vullen voordat de warmtepomp wordt gestart. Dit reduceert de tijd en kosten van montagewerkzaamheden. De units zijn met slangen aangesloten op het verwarmingswater. Ter bescherming tegen vorst is een innovatief beschermingssysteem ontwikkeld.
EKONTROL DIAGNOSTIC - 24/7/365 werkanalyse met automatische rapportage:
De innovatieve oplossing biedt constante ondersteuning door 54 meetgegevens te analyseren. Automatisch gegenereerde rapporten worden doorgestuurd naar de gebruiker. Het servicebedrijf kan vooraf reageren op eventuele storingen in het werk. Bij gebruik van EKONTROL DIAGNOSTIC zijn geen inspecties vereist binnen de garantieperiode van 5 jaar .
Zelfstandige werking of samenwerking met een verwarmingsketel in een hybride systeem:
Afhankelijk van de energiestandaard van het gebouw, de warmtevraag en het type verwarmingssysteem kan de PCCO MONO warmtepomp een onafhankelijke warmtebron zijn of de werking van de verwarmingsketel ondersteunen. In een energiezuinig gebouw, de zgn mono-energiebedrijf van de warmtepomp, waarbij bij grotere warmtevraag een elektrische verwarming kan worden ingeschakeld (ingebouwd in de buitenunit of aanvullend op het verwarmingswater). Het gebouw heeft dan geen aansluiting op het gasnet nodig. Voor oudere of nieuwe gebouwen met een grotere warmtebehoefte en die radiatorverwarming gebruiken, wordt de bivalente bedrijfsmodus van de warmtepomp gebruikt. Bij een bepaalde buitentemperatuur wordt de verwarmingsketel ingeschakeld, die parallel of in plaats van de warmtepomp werkt (afhankelijk van het type ketel en brandstof - wat de bedrijfskosten beïnvloedt).
Demo versie: https://ekontrol.pl/nl/303993/scheme/pg426p02
TECHNISCHE DATA:
Verwarmingsvermogensbereik (volgens EN 14511, A7 / W30-35): tot 9,22 kW
Voedingsbereik (EN 14511, A7 / W30-35): tot 2,06 kW
COP-prestatiebereik (EN 14511, A7 / W30-35): tot 4,88
Energie-efficiëntieklasse 35 ° C / 55 ° C: A +++ / A ++
Toevoergrenstemperatuur: 58 ° C (tot -15 ° C), 50 ° C (tot -25 ° C)
Compressortype / Aantal compressoren: Twin Rotary Inverter / 1
Hoeveelheid R32 koudemiddel: 1,40 kg
Voedingsspanning / frequentie: 230/50 V / Hz
Afmetingen buitenunit (L x D x H): 1170 x 417 x 876 mm
Afmetingen binnenunit (L x D x H): 500 x 267 x 720 mm
Nettogewicht buitenunit: 78 kg
Netto gewicht binnenunit: 45 kg
Gedetailleerde kenmerken van de PCCO MONO 9 warmtepomp
- Geavanceerde G426-controller met een breed scala aan functies
Met de G426-controller kan een hydraulisch schema worden geselecteerd van een installatie die is uitgerust met een gasboiler. De functies van de controller maken samenwerking met de ketel mogelijk om de kosten van het verwarmen van water voor huishoudelijk gebruik te optimaliseren. Het tekstscherm vergroot het gebruiksgemak van de uitgebreide reeks instellingen en uitlezingen van de bedrijfstoestanden. Met tijdfuncties kunt u de werking van de warmtepomp en de circulatiepomp voor huishoudelijk water aanpassen aan de behoeften van de bewoners. De RS485-communicatieconnector wordt gebruikt voor samenwerking met toezicht op afstand via internet - EKONTROL-systeem.
Bedrijfsmodus: VERWARMEN / KOELEN, CV / SWW, COMFORT / ECONOMY
Ondersteuning voor 2 cv-circuits (waaronder: 2 circulatiepompen, 1 mengklep)
Gewenste kamertemperatuur in de modi COMFORT / ECONOMY
Werktijden voor COMFORT / ECONOMY-modi (bijv. als dag / nacht)
Functies van samenwerking met de ketel in de CV- en SWW-modi
Functies van de werking van de circulatiepomp voor huishoudelijk water
Bedieningsfuncties elektrische verwarming
Gewenste watertemperatuur in COMFORT / ECONOMY-modus
Functie van hygiënische verwarming van huishoudelijk water
RS485-interface voor werkbewaking via internet met EKONTROL-systeem
- Twin Rotary DC Inverter-compressor met soepele capaciteitsregeling
De inverter compressor die in de PCCO MONO 9 warmtepomp wordt gebruikt, werkt met een traploos regelbaar rendement van 30 tot 100%. Als de regelaar van de warmtepomp een te lage aanvoertemperatuur van het verwarmingssysteem registreert in vergelijking met de gewenste temperatuur (bijv. volgens de stooklijn), wordt de compressor gestart. Door de maximale capaciteit van de invertercompressor kan de gewenste aanvoertemperatuur snel worden bereikt (in minder tijd dan bij een conventionele AAN-UIT-compressor). De capaciteit van de invertercompressor zal geleidelijk afnemen naarmate de aanvoertemperatuur dichter bij de gewenste waarde komt. De capaciteit van de invertercompressor wordt soepel geregeld met een hoge nauwkeurigheid van 0,5K ten opzichte van de gewenste temperatuurwaarde (nauwkeurigheid van de AAN-UIT-compressor ter vergelijking van 2K).
- SWEP AsyMatrix asymmetrische condensor
Het speciale ontwerp van de condensor van de gerenommeerde SWEP-fabrikant , gemaakt in de AsyMatrix®-technologie, waarbij de doorsneden van de kanalen van de warmtewisselaar zijn gediversifieerd, waardoor ze aan de kant van het verwarmingsmedium toenemen ten opzichte van de kant van het verwarmingswater . Dit maakt het mogelijk om de waterstroomweerstand te verminderen, het elektriciteitsverbruik te verlagen, de verdampingstemperatuur en het COP-rendement met ongeveer 3% te verhogen.
- Wilo hoogrendement circulatiepomp
De Wilo-Para circulatiepomp voldoet aan de eisen van de ErP-richtlijn voor energie-efficiëntie voor circulatiepompen (klasse A). Door het brede regelbereik kan het werken in installaties met radiator- en vloerverwarming. Het elektriciteitsverbruik is gemiddeld 2 tot 3 keer lager dan onder dezelfde bedrijfsomstandigheden van een pomp met vast toerental.
- Ingebouwde klep voor de bedrijfsmodus CV / SWW
De ingebouwde klep voor de werkingsmodus van de warmtepomp voor centrale verwarming of verwarming van warm water voor huishoudelijk gebruik maakt het gebruik van een klep bij de wateruitlaat van de binnenunit overbodig. Dit reduceert montagetijd en -kosten en vereenvoudigt het installatieschema.
- Twin-Rotary compressor met dubbele zuiger
Compressor gemaakt in Twin-Rotary-technologie, in tegenstelling tot standaard roterende compressoren (met één zuiger), wordt gekenmerkt door een uitgebalanceerde en stille werking, ook bij lagere belastingen, en een stabiele druk van het medium bij de uitlaat.
- Verdamper met groot warmtewisselingsoppervlak
Een verdamper met een groot warmteoppervlak zorgt voor een effectieve warmteafvoer, ook bij lage buitentemperaturen (bedrijf tot -25 ° C). Het hydrofiele oppervlak van de verdamper houdt geen vocht vast, waardoor de vorming van vorst wordt verminderd. De efficiënte ventilator in combinatie met het grote verdamperoppervlak vermindert de luchtstroomsnelheid, waardoor het geluid tijdens bedrijf wordt verminderd. De gelijkstroommotor van de ventilator zorgt voor een soepele snelheidsregeling om het elektriciteitsverbruik te verminderen en het geluid tijdens bedrijf verder te verminderen.
- Weidmüller elektrische connectoren
De veiligheid tijdens montagewerkzaamheden en de werking van warmtepompen wordt gewaarborgd door het gebruik van klemmen met elektrische Weidmüller-connectoren. Dankzij de hoogste kwaliteit elektrische connectoren worden veilige verbindingen, duurzaamheid, betrouwbaarheid en weerstand tegen trillingen verkregen.
- Individuele regeling van expansieventiel
De standaard aansturing van het elektronische expansieventiel, afhankelijk van de temperatuur in het koudemiddelcircuit, is vervangen door de geavanceerde, geïntegreerde aansturing van de buitenunit, waarbij rekening wordt gehouden met de directe meting van de druk na de verdamper en de temperatuur voor en na de compressor. Dit zorgt voor de meest nauwkeurige regeling van oververhitting na de verdamper, om de efficiëntie van het koelsysteem te verhogen en ook om de compressor te beschermen (volledige verdamping van het koelmiddel vóór de compressor).
Specificaties
Geen specificaties.
HEWALEX PCCO MONO 9 kW warmtepomp met 6 kW verwarming
Bestaat uit de:
HPOM009Z0A buitenunit
Binnenunit HPOM020W3A
De PCCO MONO 9 lucht/water warmtepomp heeft een MONOBLOK opbouw bestaande uit een binnen- en buitenunit. Het is bedoeld voor het verwarmen en koelen van kamers en het verwarmen van warm tapwater.
Voordelen Monoblock Hewalex
- Makkelijke installatie (geen Stek certificering)
- Snellere installatie (1 deel ipv 2 delen bij split)
- Beveiligingsmodus tot 48 uur bij -25, tegen bevriezen
- Hoger rendement dmv verwarmingswater ipv Glycol
- Hoge Efficiëntie tot 5.1 COP
- Hoge aanvoer temperatuur tot 60 graden (normale warmtepompen tot 45 graden)
- Geschikt voor bestaande en renovatie bouw.
- EKONTROL ingebouwde diagnostica via wifi https://ekontrol.pl/nl/303993/scheme/pg426p02
- 5 jaar Garantie
- Uit te breiden met zonnecollectoren
Toepassingsmogelijkheden:
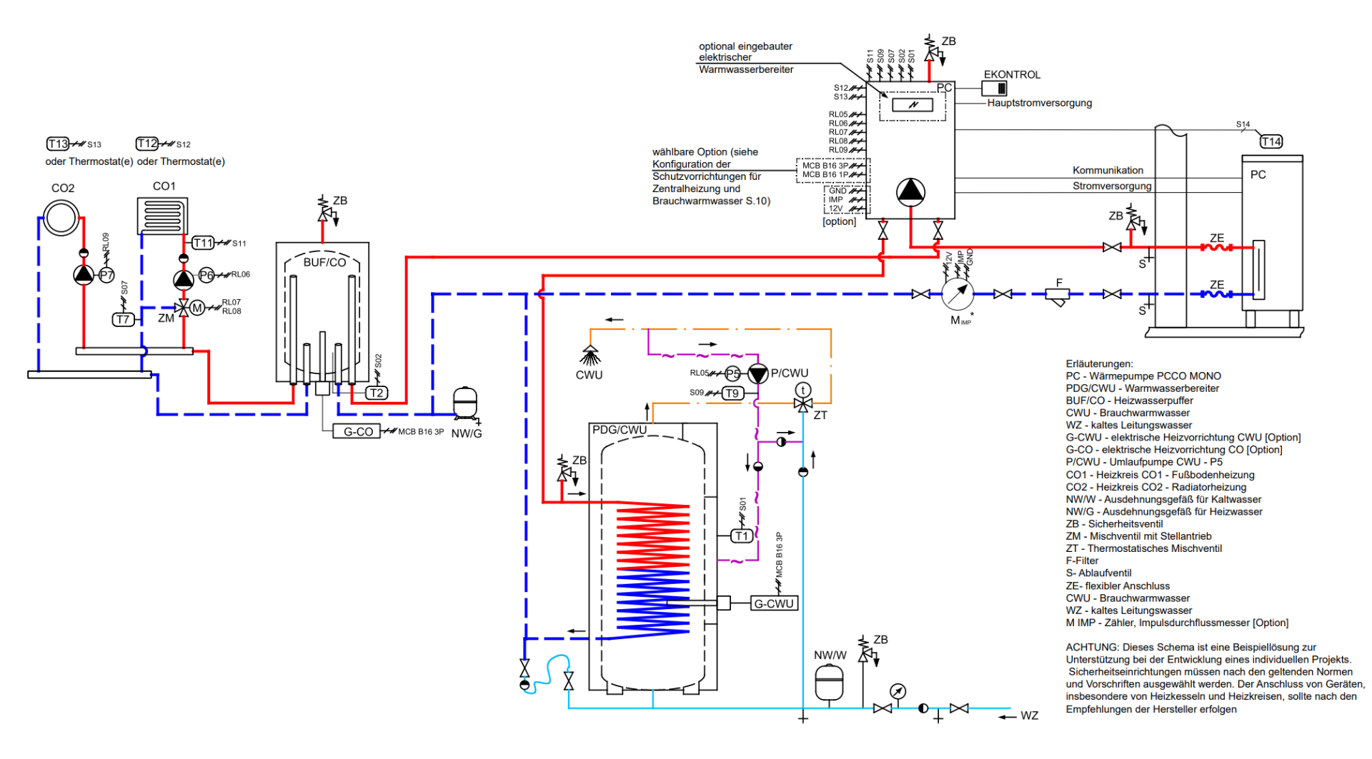
De warmtepomp PCCO MONO 9 kan een zelfstandig werkende warmtebron zijn in nieuwe energiebesparende gebouwen en in gemoderniseerde gebouwen kan hij samenwerken met een verwarmingsketel in de zogenaamde hybride verwarming. Door de toegepaste ontwerpoplossingen kan de warmtepomp werken tot een buitentemperatuur van -25 °C. De maximale aanvoertemperatuur is 58°C (tot -15°C buitentemperatuur) en 50°C (tot -25°C). De samenwerking van de warmtepomp met een vloerverwarmingssysteem (of een ander laagtemperatuur-oppervlakteverwarmingssysteem) wordt in het bijzonder aanbevolen. De OKC / HP-serie boilers met een groter oppervlak van de verwarmingsspiraal worden gebruikt voor een effectieve verwarming van huishoudelijk water. Bovendien kan de PCCO MONO 9-warmtepomp in de actieve koelmodus werken, waardoor het water tot 7 ° C wordt gekoeld.
PZ HX beveiligingsmodule - een innovatieve oplossing voor de bescherming van MONOBLOK warmtepompen tegen bevriezing bij stroomuitval (-25°C / 48h):
De PZ HX Protection Module, ontwikkeld voor monoblock warmtepompen, biedt volledige bescherming tegen bevriezing van het secundaire circuit (na de condensor in de warmtepomp) bij stroomuitval. Zelfs bij een buitentemperatuur van -25 ° C gedurende minimaal 48 uur beschermt de oplossing de warmtepomp, waardoor het gebruik van een verwarmingsmedium met antivriesmiddelen niet nodig is. De PCCO MONO-warmtepomp werkt op water en bereikt een ongeveer 20% hogere COP-efficiëntie in vergelijking met de werking van een typisch apparaat met glycol.
Opbouw en werking van de PCCO MONO 9 warmtepomp:
De PCCO MONO 9 warmtepomp bestaat uit twee units. Er is een compleet koudemiddelcircuit in de buitenunit. Hier is geen tussenkomst nodig om deze te vullen voordat de warmtepomp wordt gestart. Dit reduceert de tijd en kosten van montagewerkzaamheden. De units zijn met slangen aangesloten op het verwarmingswater. Ter bescherming tegen vorst is een innovatief beschermingssysteem ontwikkeld.
EKONTROL DIAGNOSTIC - 24/7/365 werkanalyse met automatische rapportage:
De innovatieve oplossing biedt constante ondersteuning door 54 meetgegevens te analyseren. Automatisch gegenereerde rapporten worden doorgestuurd naar de gebruiker. Het servicebedrijf kan vooraf reageren op eventuele storingen in het werk. Bij gebruik van EKONTROL DIAGNOSTIC zijn geen inspecties vereist binnen de garantieperiode van 5 jaar .
Zelfstandige werking of samenwerking met een verwarmingsketel in een hybride systeem:
Afhankelijk van de energiestandaard van het gebouw, de warmtevraag en het type verwarmingssysteem kan de PCCO MONO warmtepomp een onafhankelijke warmtebron zijn of de werking van de verwarmingsketel ondersteunen. In een energiezuinig gebouw, de zgn mono-energiebedrijf van de warmtepomp, waarbij bij grotere warmtevraag een elektrische verwarming kan worden ingeschakeld (ingebouwd in de buitenunit of aanvullend op het verwarmingswater). Het gebouw heeft dan geen aansluiting op het gasnet nodig. Voor oudere of nieuwe gebouwen met een grotere warmtebehoefte en die radiatorverwarming gebruiken, wordt de bivalente bedrijfsmodus van de warmtepomp gebruikt. Bij een bepaalde buitentemperatuur wordt de verwarmingsketel ingeschakeld, die parallel of in plaats van de warmtepomp werkt (afhankelijk van het type ketel en brandstof - wat de bedrijfskosten beïnvloedt).
Demo versie: https://ekontrol.pl/nl/303993/scheme/pg426p02
TECHNISCHE DATA:
Verwarmingsvermogensbereik (volgens EN 14511, A7 / W30-35): tot 9,22 kW
Voedingsbereik (EN 14511, A7 / W30-35): tot 2,06 kW
COP-prestatiebereik (EN 14511, A7 / W30-35): tot 4,88
Energie-efficiëntieklasse 35 ° C / 55 ° C: A +++ / A ++
Toevoergrenstemperatuur: 58 ° C (tot -15 ° C), 50 ° C (tot -25 ° C)
Compressortype / Aantal compressoren: Twin Rotary Inverter / 1
Hoeveelheid R32 koudemiddel: 1,40 kg
Voedingsspanning / frequentie: 230/50 V / Hz
Afmetingen buitenunit (L x D x H): 1170 x 417 x 876 mm
Afmetingen binnenunit (L x D x H): 500 x 267 x 720 mm
Nettogewicht buitenunit: 78 kg
Netto gewicht binnenunit: 45 kg
Gedetailleerde kenmerken van de PCCO MONO 9 warmtepomp
- Geavanceerde G426-controller met een breed scala aan functies
Met de G426-controller kan een hydraulisch schema worden geselecteerd van een installatie die is uitgerust met een gasboiler. De functies van de controller maken samenwerking met de ketel mogelijk om de kosten van het verwarmen van water voor huishoudelijk gebruik te optimaliseren. Het tekstscherm vergroot het gebruiksgemak van de uitgebreide reeks instellingen en uitlezingen van de bedrijfstoestanden. Met tijdfuncties kunt u de werking van de warmtepomp en de circulatiepomp voor huishoudelijk water aanpassen aan de behoeften van de bewoners. De RS485-communicatieconnector wordt gebruikt voor samenwerking met toezicht op afstand via internet - EKONTROL-systeem.
Bedrijfsmodus: VERWARMEN / KOELEN, CV / SWW, COMFORT / ECONOMY
Ondersteuning voor 2 cv-circuits (waaronder: 2 circulatiepompen, 1 mengklep)
Gewenste kamertemperatuur in de modi COMFORT / ECONOMY
Werktijden voor COMFORT / ECONOMY-modi (bijv. als dag / nacht)
Functies van samenwerking met de ketel in de CV- en SWW-modi
Functies van de werking van de circulatiepomp voor huishoudelijk water
Bedieningsfuncties elektrische verwarming
Gewenste watertemperatuur in COMFORT / ECONOMY-modus
Functie van hygiënische verwarming van huishoudelijk water
RS485-interface voor werkbewaking via internet met EKONTROL-systeem
- Twin Rotary DC Inverter-compressor met soepele capaciteitsregeling
De inverter compressor die in de PCCO MONO 9 warmtepomp wordt gebruikt, werkt met een traploos regelbaar rendement van 30 tot 100%. Als de regelaar van de warmtepomp een te lage aanvoertemperatuur van het verwarmingssysteem registreert in vergelijking met de gewenste temperatuur (bijv. volgens de stooklijn), wordt de compressor gestart. Door de maximale capaciteit van de invertercompressor kan de gewenste aanvoertemperatuur snel worden bereikt (in minder tijd dan bij een conventionele AAN-UIT-compressor). De capaciteit van de invertercompressor zal geleidelijk afnemen naarmate de aanvoertemperatuur dichter bij de gewenste waarde komt. De capaciteit van de invertercompressor wordt soepel geregeld met een hoge nauwkeurigheid van 0,5K ten opzichte van de gewenste temperatuurwaarde (nauwkeurigheid van de AAN-UIT-compressor ter vergelijking van 2K).
- SWEP AsyMatrix asymmetrische condensor
Het speciale ontwerp van de condensor van de gerenommeerde SWEP-fabrikant , gemaakt in de AsyMatrix®-technologie, waarbij de doorsneden van de kanalen van de warmtewisselaar zijn gediversifieerd, waardoor ze aan de kant van het verwarmingsmedium toenemen ten opzichte van de kant van het verwarmingswater . Dit maakt het mogelijk om de waterstroomweerstand te verminderen, het elektriciteitsverbruik te verlagen, de verdampingstemperatuur en het COP-rendement met ongeveer 3% te verhogen.
- Wilo hoogrendement circulatiepomp
De Wilo-Para circulatiepomp voldoet aan de eisen van de ErP-richtlijn voor energie-efficiëntie voor circulatiepompen (klasse A). Door het brede regelbereik kan het werken in installaties met radiator- en vloerverwarming. Het elektriciteitsverbruik is gemiddeld 2 tot 3 keer lager dan onder dezelfde bedrijfsomstandigheden van een pomp met vast toerental.
- Ingebouwde klep voor de bedrijfsmodus CV / SWW
De ingebouwde klep voor de werkingsmodus van de warmtepomp voor centrale verwarming of verwarming van warm water voor huishoudelijk gebruik maakt het gebruik van een klep bij de wateruitlaat van de binnenunit overbodig. Dit reduceert montagetijd en -kosten en vereenvoudigt het installatieschema.
- Twin-Rotary compressor met dubbele zuiger
Compressor gemaakt in Twin-Rotary-technologie, in tegenstelling tot standaard roterende compressoren (met één zuiger), wordt gekenmerkt door een uitgebalanceerde en stille werking, ook bij lagere belastingen, en een stabiele druk van het medium bij de uitlaat.
- Verdamper met groot warmtewisselingsoppervlak
Een verdamper met een groot warmteoppervlak zorgt voor een effectieve warmteafvoer, ook bij lage buitentemperaturen (bedrijf tot -25 ° C). Het hydrofiele oppervlak van de verdamper houdt geen vocht vast, waardoor de vorming van vorst wordt verminderd. De efficiënte ventilator in combinatie met het grote verdamperoppervlak vermindert de luchtstroomsnelheid, waardoor het geluid tijdens bedrijf wordt verminderd. De gelijkstroommotor van de ventilator zorgt voor een soepele snelheidsregeling om het elektriciteitsverbruik te verminderen en het geluid tijdens bedrijf verder te verminderen.
- Weidmüller elektrische connectoren
De veiligheid tijdens montagewerkzaamheden en de werking van warmtepompen wordt gewaarborgd door het gebruik van klemmen met elektrische Weidmüller-connectoren. Dankzij de hoogste kwaliteit elektrische connectoren worden veilige verbindingen, duurzaamheid, betrouwbaarheid en weerstand tegen trillingen verkregen.
- Individuele regeling van expansieventiel
De standaard aansturing van het elektronische expansieventiel, afhankelijk van de temperatuur in het koudemiddelcircuit, is vervangen door de geavanceerde, geïntegreerde aansturing van de buitenunit, waarbij rekening wordt gehouden met de directe meting van de druk na de verdamper en de temperatuur voor en na de compressor. Dit zorgt voor de meest nauwkeurige regeling van oververhitting na de verdamper, om de efficiëntie van het koelsysteem te verhogen en ook om de compressor te beschermen (volledige verdamping van het koelmiddel vóór de compressor).
Descr fonq: Warmtepomp 9kw
Levertijd: Binnen 2 weken binnen